NNG1 (M) Série anti-interferência
CLION
| Status de disponibilidade: | |
|---|---|
| Quantidade: | |
Os relés de estado sólido anti-interferência (SSR) desempenham um papel importante no campo do controle industrial devido ao seu excelente desempenho.
O SSR anti-interferência usa um design avançado para resistir efetivamente à interferência eletromagnética (EMI) e à interferência de radiofrequência (RFI). Como os SSRs operam com base em dispositivos semicondutores, eles não geram campos eletromagnéticos em comparação com os relés mecânicos tradicionais, por isso são menos sensíveis à interferência eletromagnética externa. Esse recurso é particularmente importante em ambientes industriais, onde a radiação eletromagnética gerada por dispositivos como motores, relés, inversores etc. pode ter um impacto nos relés mecânicos tradicionais, enquanto os SSRs são mais capazes de suportar essa interferência.
O SSR é conhecido por sua durabilidade e ciclo de vida longo. Em teoria, se a corrente não exceder 1/3 da classificação, na ausência de sobretensão, alta temperatura e dissipação de calor normal, o SSR pode ser usado por pelo menos 5 a 10 anos. Seu componente do núcleo interno é o tiristor, que pertence aos componentes semicondutores de potência e, teoricamente, o número de tempos de folga pode atingir 10 para a 12ª potência, excedendo em muito os 10 ao 5º poder dos contatores da CA comum.
O SSR não possui peças mecânicas em movimento, portanto, não há ação mecânica no trabalho e tem vantagens sobre o EMR, como resistência ao choque e resistência ao choque mecânico. Essa característica faz com que o SSR funcione de forma estável, mesmo no ambiente de alto impacto e vibração. Devido às características inerentes aos componentes que compõem o SSR, a vida longa e a alta confiabilidade do SSR são determinadas.
O SSR foi projetado com facilidade do usuário em mente. Eles geralmente suportam diferentes conexões e métodos de montagem, como montagem em painel e trilhos, bem como folhas de silicone térmicas como padrão, e possuem um sistema de acessórios completo, como fixadores de radiador e montagem, o que é extremamente fácil de usar.
A segurança resistente à adulteração do SSR também é uma característica significativa. Eles geralmente têm identificação clara da extremidade de controle e da extremidade de carga para garantir a segurança da conexão do usuário. Esse design ajuda a evitar acesso e adulteração não autorizados, especialmente em aplicações onde a segurança é crítica.
Em resumo, o SSR anti-interferência fornece uma solução confiável em aplicações de automação e controle industriais, com sua alta confiabilidade, vida longa, resistência a choque e vibração, facilidade de uso e segurança à prova de adulteração.
| Tensão de controle | 3-32VDC |
| Corrente de controle | 6-25mA |
| Tensão conectada | 3VDC |
| Tensão de desligamento | 1VDC |
| Tensão de carga | 22: 24-240VAC 38: 24-440VAC |
| Carregar corrente | 10a, 15a, 20a, 25a, 30a, 40a, 60a, 80a, 100a |
| Temperatura ambiente | -30 ~ 80 ℃ |
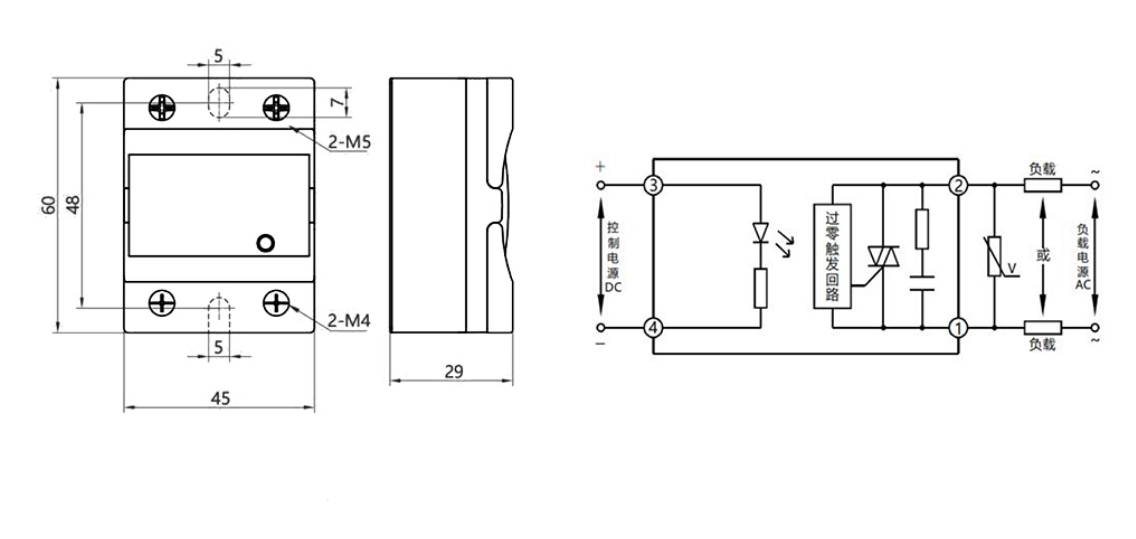
| Dimensão | 60 × 45 × 29mm |
Os relés de estado sólido anti-interferência (SSR) desempenham um papel importante no campo do controle industrial devido ao seu excelente desempenho.
O SSR anti-interferência usa um design avançado para resistir efetivamente à interferência eletromagnética (EMI) e à interferência de radiofrequência (RFI). Como os SSRs operam com base em dispositivos semicondutores, eles não geram campos eletromagnéticos em comparação com os relés mecânicos tradicionais, por isso são menos sensíveis à interferência eletromagnética externa. Esse recurso é particularmente importante em ambientes industriais, onde a radiação eletromagnética gerada por dispositivos como motores, relés, inversores etc. pode ter um impacto nos relés mecânicos tradicionais, enquanto os SSRs são mais capazes de suportar essa interferência.
O SSR é conhecido por sua durabilidade e ciclo de vida longo. Em teoria, se a corrente não exceder 1/3 da classificação, na ausência de sobretensão, alta temperatura e dissipação de calor normal, o SSR pode ser usado por pelo menos 5 a 10 anos. Seu componente do núcleo interno é o tiristor, que pertence aos componentes semicondutores de potência e, teoricamente, o número de tempos de folga pode atingir 10 para a 12ª potência, excedendo em muito os 10 ao 5º poder dos contatores da CA comum.
O SSR não possui peças mecânicas em movimento, portanto, não há ação mecânica no trabalho e tem vantagens sobre o EMR, como resistência ao choque e resistência ao choque mecânico. Essa característica faz com que o SSR funcione de forma estável, mesmo no ambiente de alto impacto e vibração. Devido às características inerentes aos componentes que compõem o SSR, a vida longa e a alta confiabilidade do SSR são determinadas.
O SSR foi projetado com facilidade do usuário em mente. Eles geralmente suportam diferentes conexões e métodos de montagem, como montagem em painel e trilhos, bem como folhas de silicone térmicas como padrão, e possuem um sistema de acessórios completo, como fixadores de radiador e montagem, o que é extremamente fácil de usar.
A segurança resistente à adulteração do SSR também é uma característica significativa. Eles geralmente têm identificação clara da extremidade de controle e da extremidade de carga para garantir a segurança da conexão do usuário. Esse design ajuda a evitar acesso e adulteração não autorizados, especialmente em aplicações onde a segurança é crítica.
Em resumo, o SSR anti-interferência fornece uma solução confiável em aplicações de automação e controle industriais, com sua alta confiabilidade, vida longa, resistência a choque e vibração, facilidade de uso e segurança à prova de adulteração.
| Tensão de controle | 3-32VDC |
| Corrente de controle | 6-25mA |
| Tensão conectada | 3VDC |
| Tensão de desligamento | 1VDC |
| Tensão de carga | 22: 24-240VAC 38: 24-440VAC |
| Carregar corrente | 10a, 15a, 20a, 25a, 30a, 40a, 60a, 80a, 100a |
| Temperatura ambiente | -30 ~ 80 ℃ |
| Dimensão | 60 × 45 × 29mm |