Microinterruptor NS
CLION
| Status de disponibilidade: | |
|---|---|
| Quantidade: | |
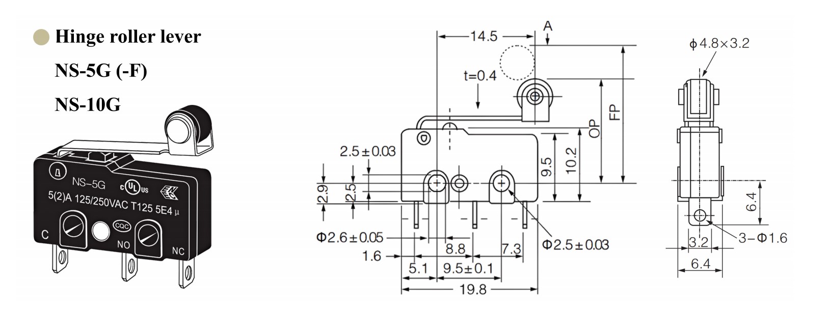
O Microinterruptor da Alavanca do Rolo Dobradiça é um tipo comum de microinterruptor com várias aplicações e características.Seu princípio é baseado no acionamento mecânico, onde o movimento da alavanca do rolete aciona a ação liga/desliga do interruptor.
O Microinterruptor da Alavanca do Rolo Dobradiça apresenta um design compacto, tornando-o adequado para instalação em equipamentos com espaço limitado.Seu tamanho pequeno e peso leve permitem fácil integração e instalação em diversas aplicações.
A alavanca giratória desta chave é acionada por forças externas.Quando a alavanca do rolete sofre pressão ou tensão, ela ativa a chave, permitindo que a corrente flua no circuito.O microinterruptor da alavanca do rolo de dobradiça oferece alta confiabilidade, mantendo uma ação de comutação precisa e confiável, mesmo em ambientes adversos.Ele pode suportar vibrações, impactos e outros fatores externos, garantindo um desempenho estável.
A chave é altamente sensível a forças externas, exigindo apenas uma pequena quantidade de força para acioná-la.Isso permite uma ação liga/desliga rápida e precisa, tornando-o adequado para aplicações que exigem controle preciso.Além disso, o Microinterruptor da Alavanca do Rolo Dobradiça tem uma longa vida útil, capaz de suportar operações liga/desliga frequentes e repetitivas.Isso o torna uma escolha confiável para aplicações que exigem trocas frequentes.
O Microinterruptor da Alavanca do Rolo Dobradiça é amplamente utilizado em diversas aplicações.É comumente usado para detecção de limite e posição, intertravamentos de segurança e sistemas de controle em máquinas industriais.Por exemplo, em linhas de produção automatizadas, o Micro Interruptor Dobradiça e Alavanca pode detectar a posição e o movimento de objetos, garantindo o bom funcionamento e a segurança da linha de produção.
Além disso, o microinterruptor da alavanca do rolo de dobradiça também é utilizado em controles automáticos de portas, entrada e controle do usuário em dispositivos eletrônicos e várias aplicações de interruptores em eletrodomésticos e automotivos.Sua sensibilidade e confiabilidade o tornam adequado para uma ampla gama de aplicações de controle e detecção.
Em resumo, o Micro Switch Hinge Roller Lever é a escolha ideal para diversas aplicações devido ao seu design compacto, alta confiabilidade, sensibilidade e longa vida útil.Ele desempenha um papel crucial em indústrias como industrial, automação, eletrônica e automotiva, fornecendo controle de comutação preciso e confiável para diversas aplicações.
O Microinterruptor da Alavanca do Rolo Dobradiça é um tipo comum de microinterruptor com várias aplicações e características.Seu princípio é baseado no acionamento mecânico, onde o movimento da alavanca do rolete aciona a ação liga/desliga do interruptor.
O Microinterruptor da Alavanca do Rolo Dobradiça apresenta um design compacto, tornando-o adequado para instalação em equipamentos com espaço limitado.Seu tamanho pequeno e peso leve permitem fácil integração e instalação em diversas aplicações.
A alavanca giratória desta chave é acionada por forças externas.Quando a alavanca do rolete sofre pressão ou tensão, ela ativa a chave, permitindo que a corrente flua no circuito.O microinterruptor da alavanca do rolo de dobradiça oferece alta confiabilidade, mantendo uma ação de comutação precisa e confiável, mesmo em ambientes adversos.Ele pode suportar vibrações, impactos e outros fatores externos, garantindo um desempenho estável.
A chave é altamente sensível a forças externas, exigindo apenas uma pequena quantidade de força para acioná-la.Isso permite uma ação liga/desliga rápida e precisa, tornando-o adequado para aplicações que exigem controle preciso.Além disso, o Microinterruptor da Alavanca do Rolo Dobradiça tem uma longa vida útil, capaz de suportar operações liga/desliga frequentes e repetitivas.Isso o torna uma escolha confiável para aplicações que exigem trocas frequentes.
O Microinterruptor da Alavanca do Rolo Dobradiça é amplamente utilizado em diversas aplicações.É comumente usado para detecção de limite e posição, intertravamentos de segurança e sistemas de controle em máquinas industriais.Por exemplo, em linhas de produção automatizadas, o Micro Interruptor Dobradiça e Alavanca pode detectar a posição e o movimento de objetos, garantindo o bom funcionamento e a segurança da linha de produção.
Além disso, o microinterruptor da alavanca do rolo de dobradiça também é utilizado em controles automáticos de portas, entrada e controle do usuário em dispositivos eletrônicos e várias aplicações de interruptores em eletrodomésticos e automotivos.Sua sensibilidade e confiabilidade o tornam adequado para uma ampla gama de aplicações de controle e detecção.
Em resumo, o Micro Switch Hinge Roller Lever é a escolha ideal para diversas aplicações devido ao seu design compacto, alta confiabilidade, sensibilidade e longa vida útil.Ele desempenha um papel crucial em indústrias como industrial, automação, eletrônica e automotiva, fornecendo controle de comutação preciso e confiável para diversas aplicações.