ESL4Z-7
Esinctrl
| Status de disponibilidade: | |
|---|---|
| Quantidade: | |
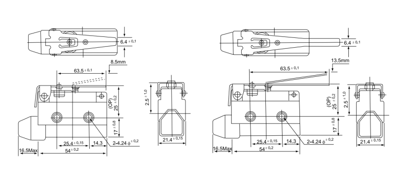
A série ESL4Z-7 de comutadores de limite de alta resistência mecânica são compatíveis com as dimensões da instalação do ESMZ. Eles oferecem 9 tipos de atuadores, como o êmbolo da primavera, a haste da dobradiça, etc., e suportam cargas de 10a/250v de grau industrial. Adequado para cenários exigentes, como elevadores e equipamentos automatizados, com uma vida útil elétrica de 500.000 ciclos, garantindo uma operação confiável.
Maior resistência mecânica
O atuador está equipado com rolos de resina de aço e engenharia de alta resistência de alta resistência (como o tipo W4/W41). A vibração (resistência à vibração a 55Hz/1,5 mm) pode suportar os impactos regulares na linha de produção.
500.000 ciclos de operação elétrica garantem que
a passagem de 5 × 10⁵ Operações para verificação:
1) Resistência ao impacto de 300m/s² (equivalente a 30g de aceleração gravitacional)
2) Faixa de temperatura de -20 ℃ a 70 ℃ (incluindo o ambiente de oficinas de alta temperatura)
Guia de seleção do atuador
| Usando a situação | Tipo de atuador | Vantagem |
| Impacto vertical (máquina de estampagem) | NJ67: Rod Spring | Força anti-lateral, 120g de baixa força operacional |
| Lateralmente deslizando (em uma correia transportadora) | W61: alavanca de rolo de dobradiça de uma maneira, rolo de resina | Desencadeamento falso anti-reverso |
| Posicionamento preciso (para braços robóticos) | D1: Manger da primavera | ± 0,8 mm de tolerância ultra-pequena |
Proteção de excesso de troca: Todos os atuadores são projetados com tampão de 2-6 mm (consulte as páginas 6-8 para a tabela), para evitar a sobrecarga mecânica.
Tolerância a pula: suporta 30A (NC)/15A (NO) Corrente de surto (página 2), abordando diretamente o impacto das cargas motoras/indutoras
A série ESL4Z-7 de comutadores de limite de alta resistência mecânica são compatíveis com as dimensões da instalação do ESMZ. Eles oferecem 9 tipos de atuadores, como o êmbolo da primavera, a haste da dobradiça, etc., e suportam cargas de 10a/250v de grau industrial. Adequado para cenários exigentes, como elevadores e equipamentos automatizados, com uma vida útil elétrica de 500.000 ciclos, garantindo uma operação confiável.
Maior resistência mecânica
O atuador está equipado com rolos de resina de aço e engenharia de alta resistência de alta resistência (como o tipo W4/W41). A vibração (resistência à vibração a 55Hz/1,5 mm) pode suportar os impactos regulares na linha de produção.
500.000 ciclos de operação elétrica garantem que
a passagem de 5 × 10⁵ Operações para verificação:
1) Resistência ao impacto de 300m/s² (equivalente a 30g de aceleração gravitacional)
2) Faixa de temperatura de -20 ℃ a 70 ℃ (incluindo o ambiente de oficinas de alta temperatura)
Guia de seleção do atuador
| Usando a situação | Tipo de atuador | Vantagem |
| Impacto vertical (máquina de estampagem) | NJ67: Rod Spring | Força anti-lateral, 120g de baixa força operacional |
| Lateralmente deslizando (em uma correia transportadora) | W61: alavanca de rolo de dobradiça de uma maneira, rolo de resina | Desencadeamento falso anti-reverso |
| Posicionamento preciso (para braços robóticos) | D1: Manger da primavera | ± 0,8 mm de tolerância ultra-pequena |
Proteção de excesso de troca: Todos os atuadores são projetados com tampão de 2-6 mm (consulte as páginas 6-8 para a tabela), para evitar a sobrecarga mecânica.
Tolerância a pula: suporta 30A (NC)/15A (NO) Corrente de surto (página 2), abordando diretamente o impacto das cargas motoras/indutoras