NNC67H
CLION
| Status de disponibilidade: | |
|---|---|
| Quantidade: | |
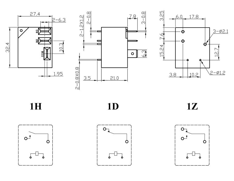
A série NNC67H é uma linha de relés de alta potência em miniatura que combinam design compacto com a capacidade de lidar com cargas elétricas substanciais. Esses relés são projetados para aplicações que exigem capacidades de comutação robustas e são adequadas para integração em uma variedade de sistemas eletrônicos e industriais.
Recursos do produto:
Tamanho em miniatura: a série NNC67H apresenta um design compacto que conserva o espaço enquanto fornece uma comutação de alta energia.
Terminais de PCB e conexão rápida: equipados com terminais de PCB e conexão rápida, facilitando a instalação fácil e segura.
Capacidade de comutação alta: capaz de lidar com até 40A, esses relés são projetados para aplicações com altas demandas atuais.
Compatibilidade da bobina AC/CC: Adequado para tensões da bobina CA e CC, oferecendo flexibilidade para diferentes requisitos de energia.
Conformidade regulatória: adere aos padrões da ROHS para segurança ambiental e é certificado pela TUV, UL, CE e CQC por qualidade e confiabilidade.
Vantagens do produto:
Formulários de contato personalizáveis: Disponível em vários formulários de contato, como ZC (CO), HA (NO) e DB (NC), para atender às necessidades específicas de comutação.
Faixa de tensão ampla: compatível com uma ampla gama de tensões de bobina de CC 3V a 110V e CA 6V a 240V, garantindo a adaptabilidade em diversos sistemas.
Personalização especial de código: oferece a opção para requisitos específicos do cliente, permitindo soluções personalizadas.
Material de contato premium: utiliza a liga AG (AGSNO2; AGCDO) para condutividade e durabilidade elétricas superiores.
Alta resistência mecânica e elétrica: construída para durar com um mínimo de 1x10^7 operações mecânicas e 1x10^5 operações elétricas.
Consumo eficiente de energia da bobina: com um baixo consumo de energia de bobina de 0,93W a 1,5VA, esses relés são eficientes em termos de energia.
Resistência dielétrica robusta: fornece alta resistência ao isolamento e força dielétrica para operação confiável em condições exigentes.
Resiliência ambiental: projetado para operar efetivamente em uma ampla gama de temperaturas ambientais e níveis de umidade.
Conclusão:
Os relés de alta potência da série NNC67H são projetados para excelência em aplicações de comutação de alta corrente. Com a combinação de tamanho compacto, alta potência e construção robusta, esses relés oferecem uma solução confiável e eficiente para um amplo espectro de necessidades eletrônicas e industriais.
A série NNC67H é uma linha de relés de alta potência em miniatura que combinam design compacto com a capacidade de lidar com cargas elétricas substanciais. Esses relés são projetados para aplicações que exigem capacidades de comutação robustas e são adequadas para integração em uma variedade de sistemas eletrônicos e industriais.
Recursos do produto:
Tamanho em miniatura: a série NNC67H apresenta um design compacto que conserva o espaço enquanto fornece uma comutação de alta energia.
Terminais de PCB e conexão rápida: equipados com terminais de PCB e conexão rápida, facilitando a instalação fácil e segura.
Capacidade de comutação alta: capaz de lidar com até 40A, esses relés são projetados para aplicações com altas demandas atuais.
Compatibilidade da bobina AC/CC: Adequado para tensões da bobina CA e CC, oferecendo flexibilidade para diferentes requisitos de energia.
Conformidade regulatória: adere aos padrões da ROHS para segurança ambiental e é certificado pela TUV, UL, CE e CQC por qualidade e confiabilidade.
Vantagens do produto:
Formulários de contato personalizáveis: Disponível em vários formulários de contato, como ZC (CO), HA (NO) e DB (NC), para atender às necessidades específicas de comutação.
Faixa de tensão ampla: compatível com uma ampla gama de tensões de bobina de CC 3V a 110V e CA 6V a 240V, garantindo a adaptabilidade em diversos sistemas.
Personalização especial de código: oferece a opção para requisitos específicos do cliente, permitindo soluções personalizadas.
Material de contato premium: utiliza a liga AG (AGSNO2; AGCDO) para condutividade e durabilidade elétricas superiores.
Alta resistência mecânica e elétrica: construída para durar com um mínimo de 1x10^7 operações mecânicas e 1x10^5 operações elétricas.
Consumo eficiente de energia da bobina: com um baixo consumo de energia de bobina de 0,93W a 1,5VA, esses relés são eficientes em termos de energia.
Resistência dielétrica robusta: fornece alta resistência ao isolamento e força dielétrica para operação confiável em condições exigentes.
Resiliência ambiental: projetado para operar efetivamente em uma ampla gama de temperaturas ambientais e níveis de umidade.
Conclusão:
Os relés de alta potência da série NNC67H são projetados para excelência em aplicações de comutação de alta corrente. Com a combinação de tamanho compacto, alta potência e construção robusta, esses relés oferecem uma solução confiável e eficiente para um amplo espectro de necessidades eletrônicas e industriais.